Circuit Intégré SM5166P
Description générale
Le SM5166P est une puce de contrôle d'affichage LED.
Elle intègre 8 canaux de transistors avec un courant maximal de 3A, suffisant pour soutenir l'alimentation des écrans de balayage.
Grâce à son haut niveau d'intégration, elle permet de réduire l'espace nécessaire, simplifier la complexité des connexions et diminuer le risque d'interférences.
Elle inclut également une protection contre les courts-circuits, empêchant ainsi de brûler les LED ou la carte, ce qui améliore la fiabilité de l'ensemble du système.
|
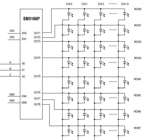
Brochage
|
|
Exemple de système de balayage à 8 canaux
Le balayage consiste à allumer les LED de manière séquentielle (une par une ou par groupes) à des intervalles très rapides, de sorte que, pour l'œil humain, toutes les LED semblent allumées simultanément. Cela économise des ressources, car au lieu d'activer toutes les LED en même temps, on active un groupe à la fois.
Dans le cas du SM5166P, il y a 8 canaux de sortie (OUT1 à OUT8) que l’on peut contrôler grâce à trois broches d’entrée logiques : A0, A1 et A2. Ces broches permettent de sélectionner quelle sortie (ROW = Ligne) sera activée à un moment donné.

Contrôle des sorties LED (OUT1 à OUT8)
Le SM5166P possède 8 canaux de sortie, chacun contrôlant une ligne LED.
Ces canaux sont activés ou désactivés par des signaux logiques via les broches A0, A1, A2 (entrées logiques), et les broches d’activation EN1 et EN2.
- Les broches OUT1 à OUT8 sont les sorties qui pilotent les LED. Chaque sortie est reliée à un transistor PMOS intégré capable de gérer un courant maximal de 3A.
- Les broches A0, A1, A2 contrôlent la sélection de quel canal (ou combinaison de canaux) est activé à un moment donné.
- Les broches EN1 et EN2 fonctionnent comme des interrupteurs de validation. Les sorties ne s’activent que lorsque EN1 est à l’état haut (1) et EN2 à l’état bas (0), fournissant ainsi un contrôle supplémentaire.

Les broches A0, A1, et A2 sont des ports d’entrée qui déterminent quel canal de sortie sera activé. Le comportement de ces ports est régi par une table de vérité qui détermine quelles LED sont allumées en fonction de la combinaison des états (0 ou 1) sur ces broches.

Créé avec HelpNDoc Personal Edition: Éditeur complet de livres électroniques ePub
